Описание
Основные технические параметры
Напряжение питания: 380В
Номинальная мощность: 75 кВт
Номинальный ток: 150 А
Габаритные размеры (Д/Ш/В): 300/304/526 мм
Выходная частота: 0-500 Гц
Перегрузочная способность: 150 % на 1 мин, 180 % на 3 с
Тормозной прерыватель отсутвует
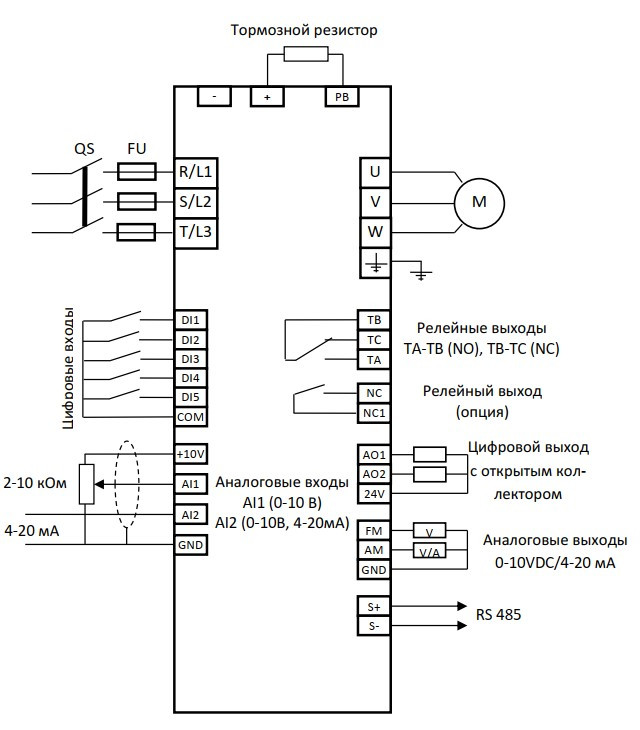
M-driver M900G входы/выходы
-
5 дискретных входов
-
2 аналоговых входа
-
2 аналоговых выход
-
1 релейный выход + 1 (опция)
-
2 транзисторных выхода
-
блоки питания 10 VDC, 24 VDC
-
Modbus RTU
M-driver M900G схема подключения
схема общая для всей линейки частотных преобразователей и может незначительно отличаться для данной модели

Функциональные возможности
Векторное/скалярное управление, PID-регулятор, многоскоростное управление, протокол Modbus RTU (RS-485), автоматическое восстановление после отказ, встроенный ПЛК, счетчик, таймеры, запись последних неисправностей и параметров работы привода при этом, съемная панель управления и т. д.
Отзывы
Отзывов пока нет.