Преобразователь частоты M-driver M900-0040G1 4 кВт 18 А, 220В – купить в Минске - M-Driver

Преобразователь частоты M-driver M900-0040G1 4 кВт 18 А, 220В

Свяжитесь с нами сегодня

+375 29 566 64 51 (МТС) 5666451@mail.ru

Описание

Высокопроизводительный векторный частотный преобразователь с расширенным набором функциональных возможностей серии M-driver M900G позволяет управлять самым требовательным промышленным оборудованием (компрессоры, конвейеры, кран-балки и др)

Функциональные возможности:

  • Перегрузочная возможность 150 % на 1 мин, 180 % на 3 с
  • Выходная частота 0-500 Гц
  • ПИ-регулятор по сигналу обратной связи 0/4-20 мА или 0-10 В
  • Режим сна, режим автозапуска, режим защиты от сухого хода, защита от гидравлического прорыва
  • Многоступенчатое изменение скорости (до 7 скоростей)
  • Съёмная панель управления с кабелем 1,2 метра в комплекте
  • 32 функции защиты электродвигателя, частотного преобразователя и нагрузки
  • Архив последних трех ошибок с сохранением рабочих параметров
  • Modbus RTU (RS-485)
  • Тормозной прерыватель на моделях да 5,5 кВт

 

M-driver M900G входы/выходы:

  • 5 дискретных входов
  • 2 аналоговый вход (0-10В/4-20 мА)
  • 2 аналоговый выход (0-10В/4-20 мА)
  • 1 релейный выход + 1 (опция)
  • 2 транзисторных выхода
  • блоки питания 10VDC, 24 VDC
  • Modbus RTU

 

Материалы для скачивания

Основные технические характеристики

Входное напряжение: 200-240 В ±10%
Номинальная мощность: 4 кВт
Номинальный ток: 18 A
Диапазон выходной частоты: 0-500 Гц
Габариты (В*Ш*Г): 188*96*171 мм
Метод управления: векторный/скалярный
Перегрузочная способность по току: 150% (60с), 180% (3c)
Количество дискретных входов (DI): 5 шт
Количество аналоговых входов (AI): 2 шт (0-10 В/4-20 мА)
Количество релейных выходов (RO): 1 шт (250 VAC до 3 А, 30 VDC до 1 А) + 1 шт (опция)
Степень защиты: IP20
Диапазон рабочих температур: -10…+40°С (со снижением мощности до 50 ℃)
Поддержка протокола Modbus: да
Встроенный ПИ-регулятор: да
Встроенный блок питания 24В: да
Защита от повышенного напряжения: да
Защита от пониженного напряжения: да
Защита от перегрузки двигателя: да
Защита от потери входной фазы: да
Защита от потери выходной фазы: да
Тормозной блок: внешний
Вес: 4 кг
Съемная панель: да (кабель 1,2 м в комплекте)

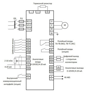
Схема подключения

* Дополнительный релейный выход NC-NC1 является опцией.
* Встроенный тормозной модуль имеется в ЧП мощностью 0,75 ~ 5,5 кВт, внешний тормозной резистор подключается к клеммам «+» и PB.
* ЧП M900G мощностью более 5,5 кВт (380 В) и более 2,2 кВт (220 В) при необходимости нужно подключить к внешнему модулю торможения, в ПЧ M900U модуль встроен
* Частотные преобразователи с входным напряжением 220В (1 фаза) подключаются к входным клеммам R и T (L и N).
* К частотному преобразователю с входным напряжением 220В (1 фаза) подключаются однофазный мотор к выходным клеммам U и W. (см. F6-16)

Отзывы

Отзывов пока нет.

Будьте первым, кто оставил отзыв на “Преобразователь частоты M-driver M900-0040G1 4 кВт 18 А, 220В”

Ваш адрес email не будет опубликован. Обязательные поля помечены *