Описание
Основные технические параметры
Напряжение питания: 220В
Номинальная мощность: 0,75 кВт
Номинальный ток: 4 А
Габаритные размеры (В/Ш/Г): 145,5/162/71,5 мм
Выходная частота: 0-500 Гц
Перегрузочная способность: 150 % на 1 мин, 180 % на 3 с
Cтепень защиты оболочки: IP54
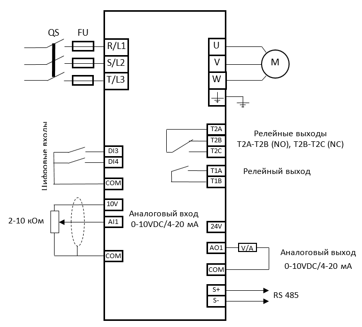
M-driver M900H входы/выходы
-
2 дискретных входов
-
1 аналоговый вход (0-10В/4-20 мА)
-
1 аналоговый выход (0-10В/4-20 мА)
-
2 релейных выхода
-
блоки питания 10 VDC, 24 VDC
-
Modbus RTU
M-driver M900H схема подключения
схема общая для всей линейки частотных преобразователей и может незначительно отличаться для данной модели
Функциональные возможности
Векторное/скалярное управление, PID-регулятор, многоскоростное управление, режим «сна», режим автозапуска, режим защиты от заморозки, защита от гидравлического прорыва, протокол Modbus RTU (RS-485), автоматическое восстановление после отказ, встроенный ПЛК, счетчик, таймеры, запись последних неисправностей и параметров работы привода при этом, съемная панель управления и т. д.




Отзывы
Отзывов пока нет.