Преобразователь частоты M-driver M900-0007Н3 0,75 кВт 2,1 А, 380В, IP54 – купить в Минске - M-Driver

Преобразователь частоты M-driver M900-0007Н3 0,75 кВт 2,1 А, 380В, IP54

Свяжитесь с нами сегодня

+375 29 566 64 51 (МТС) 5666451@mail.ru

Описание

M-driver 900H — бюджетный частотный преобразователь с высокой степенью защиты оболочки IP54 прекрасно подойдет для работы в производственных помещениях, где происходит частая мойка и возможно образование брызг воды (пищевые производства, фармацевтика, станции мойки подвижного состава и д.р.), для котельных и теплопунктов.

Функциональные возможности:

  •  ПИ-регулирование с обратной связью по значению аналогового входа 4-20 мА (0-10 В)
  • Режим «сна», режим автозапуска, режим защиты от заморозки, защита от гидравлического прорыва
  • Протокол Modbus RTU (RS-485)
  • Управление местное, дистанционное или по протоколу связи
  • Набор всех необходимых защит электродвигателя, частотного преобразователя и цепей управления

 

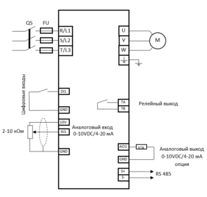
M-driver M900Н входы/выходы:

  • 1 дискретный вход
  • 1 аналоговый вход (0-10В/4-20 мА)
  • 1 аналоговый выход (0-10В/4-20 мА) опция
  • 1 релейных выхода
  • блоки питания 10 VDC
  • Modbus RTU (опция)

 

Материалы для скачивания

Основные технические характеристики

Входное напряжение: 380-480 В ±10%
Номинальная мощность: 0,75 кВт
Номинальный ток: 2,1 A
Диапазон выходной частоты: 0-500 Гц
Габариты (В*Ш*Г): 133,5*162*71,5 мм 
Метод управления: скалярный
Перегрузочная способность по току: 150% (60с)
Количество дискретных входов (DI): 1 шт
Количество аналоговых входов (AI): 1 шт (0-10 В/4-20 мА)
Количество релейных выходов (RO): НО (250 VAC до 3 А, 30 VDC до 1 А)
Степень защиты: IP54
Диапазон рабочих температур: -10…+40°С (со снижением мощности до 50 ℃)
Поддержка протокола Modbus: да
Встроенный ПИ-регулятор да
Защита от повышенного напряжения: да
Защита от пониженного напряжения: да
Защита от перегрузки двигателя: да
Защита от потери входной фазы: да
Защита от потери выходной фазы: да
Тормозной блок: нет
Вес: 2,5 кг
Съемная панель: нет

Схема подключения

Отзывы

Отзывов пока нет.

Будьте первым, кто оставил отзыв на “Преобразователь частоты M-driver M900-0007Н3 0,75 кВт 2,1 А, 380В, IP54”

Ваш адрес email не будет опубликован. Обязательные поля помечены *