Описание
Основные технические параметры
Напряжение питания: 380В
Номинальная мощность: 2,2 кВт
Номинальный ток: 5,1 А
Габаритные размеры (Д/Ш/В): 86/141/170 мм
Выходная частота: 0-500 Гц
Перегрузочная способность: 150 % на 1 мин, 180 % на 3 с
Встроенный тормозной прерыватель
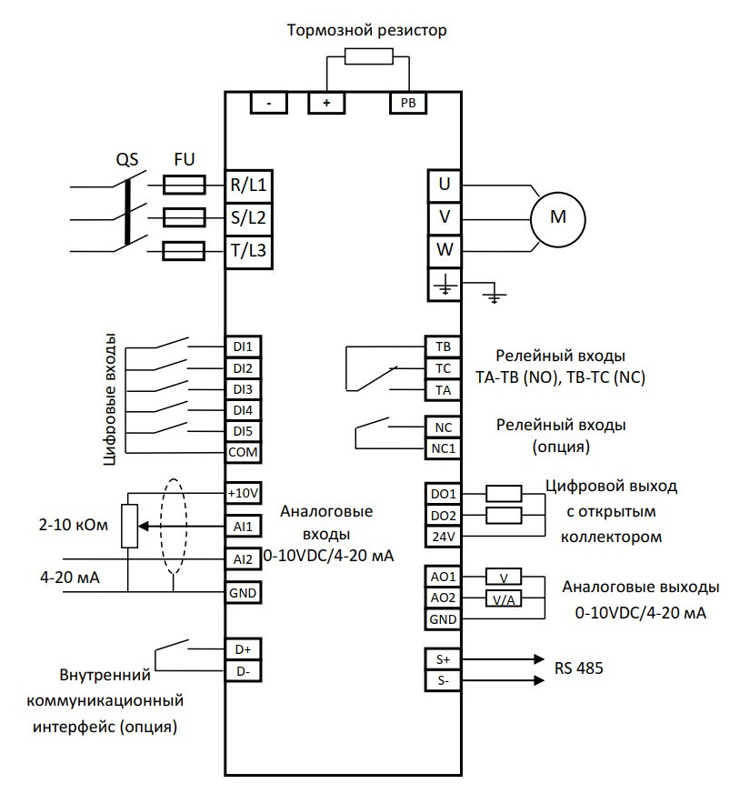
M-driver M900G входы/выходы
-
5 дискретных входов
-
2 аналоговых входа (0-10В/4-20 мА)
-
2 аналоговых выход (0-10В/4-20 мА)
-
1 релейный выход + 1 (опция)
-
2 транзисторных выхода
-
блоки питания 10 VDC, 24 VDC
-
Modbus RTU
M-driver M900G схема подключения
схема общая для всей линейки частотных преобразователей и может незначительно отличаться для данной модели

Функциональные возможности
Векторное/скалярное управление, PID-регулятор, каскадное управление группой насосов, АВР насосами, многоскоростное управление, режим «сна», режим автозапуска, режим защиты от заморозки, защита от гидравлического прорыва, протокол Modbus RTU (RS-485), автоматическое восстановление после отказ, встроенный ПЛК, счетчик, таймеры, запись последних неисправностей и параметров работы привода при этом, съемная панель управления и т. д.
Отзывы
Отзывов пока нет.